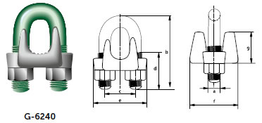
Soquetes e Destorcedores - para as mais variadas aplicações.Os Soquetes para cabo de aço Green Pin ® são fabricados em aço de alta resistência. Sua durabilidade a longo prazo é garantida devido ao processo de galvanização a qual são submetidos, o que em conjunto a sua linha completa proporciona uma perfeita utilização nas mais diversas operações.
Os destorcedores Green Pin ® são fabricados em aço de alta resistência e são utilizados afim de evitar que a torção gerada no sistema de elevação seja transferida para a peça ou objeto a ser elevado.
Soquetes e Destorcedores G-6240
• Certification: 2.1
| diameter | diameter | length | width | length | length | thickness | height | weight |
| wire | bow | inside | thread | base | base | base | per | |
| rope | 100 pcs | |||||||
| a | b | c | d | e | f | g | ||
| mm | mm | mm | mm | mm | mm | mm | mm | kg |
| 3 - 4 | 5 | 24 | 12 | 11 | 24 | 21 | 10 | 2 |
| 5 | 6 | 31 | 15 | 13 | 29 | 24 | 13 | 4 |
| 6 - 7 | 8 | 34 | 19 | 13 | 37 | 30 | 18 | 8 |
| 8 | 10 | 45 | 22 | 19 | 43 | 33 | 19 | 14 |
| 9 - 10 | 11 | 49 | 26 | 19 | 49 | 42 | 25 | 19 |
| 11 | 12 | 60 | 30 | 25 | 58 | 46 | 26 | 31 |
| 12 - 13 | 13 | 61 | 30 | 25 | 58 | 48 | 31 | 34 |
| 14 - 15 | 14 | 72 | 33 | 32 | 63 | 52 | 31 | 36 |
| 16 | 14 | 74 | 33 | 32 | 64 | 54 | 36 | 45 |
| 18 - 20 | 16 | 86 | 38 | 37 | 72 | 57 | 38 | 68 |
| 22 | 19 | 98 | 45 | 41 | 80 | 62 | 40 | 108 |
| 24 - 26 | 19 | 108 | 48 | 46 | 88 | 67 | 47 | 113 |
| 28 - 30 | 19 | 117 | 51 | 51 | 91 | 73 | 48 | 140 |
| 32 - 34 | 22 | 130 | 59 | 54 | 105 | 79 | 56 | 207 |
| 36 | 22 | 140 | 60 | 59 | 108 | 79 | 58 | 234 |
| 38 - 40 | 22 | 147 | 66 | 60 | 112 | 85 | 64 | 266 |
| 41 - 42 | 25 | 161 | 70 | 67 | 121 | 92 | 67 | 329 |
| 44 - 46 | 29 | 174 | 78 | 70 | 134 | 97 | 76 | 441 |
| 48 - 52 | 32 | 195 | 86 | 78 | 150 | 113 | 85 | 603 |
| 56 - 58 | 32 | 213 | 98 | 81 | 162 | 116 | 100 | 707 |
| 62 - 65 | 32 | 227 | 105 | 87 | 168 | 119 | 113 | 806 |
| 68 - 72 | 32 | 243 | 112 | 91 | 174 | 127 | 124 | 1000 |
| 75 - 78 | 38 | 271 | 121 | 98 | 194 | 135 | 136 | 1440 |
| diameter | diameter | length | width | length | length | thickness | height | weight |
| wire | bow | inside | thread | base | base | base | per | |
| rope | 100 pcs | |||||||
| a | b | c | d | e | f | g | ||
| inch | inch | inch | inch | inch | inch | inch | inch | lbs |
| 1/8 | 3/16 | 15/16 | 15/32 | 7/16 | 15/16 | 13/16 | 13/32 | 4.4 |
| 3/16 | 1/4 | 1 7/32 | 19/32 | 1/2 | 1 5/32 | 15/16 | 1/2 | 8.8 |
| 1/4 | 5/16 | 1 11/32 | 3/4 | 1/2 | 1 15/32 | 1 3/16 | 23/32 | 17.6 |
| 5/16 | 13/32 | 1 25/32 | 7/8 | 3/4 | 1 11/16 | 1 5/16 | 3/4 | 28.7 |
| 3/8 | 7/16 | 1 15/16 | 1 1/32 | 3/4 | 1 15/16 | 1 21/32 | 31/32 | 42 |
| 7/16 | 15/32 | 2 3/8 | 1 3/16 | 31/32 | 2 9/32 | 1 13/16 | 1 1/32 | 73 |
| 1/2 | 1/2 | 2 13/32 | 1 3/16 | 31/32 | 2 9/32 | 1 7/8 | 1 7/32 | 75 |
| 9/16 | 9/16 | 2 27/32 | 1 5/16 | 1 1/4 | 2 15/32 | 2 1/16 | 1 7/32 | 99 |
| 5/8 | 9/16 | 2 29/32 | 1 5/16 | 1 1/4 | 2 17/32 | 2 1/8 | 1 13/32 | 99 |
| 3/4 | 5/8 | 3 3/8 | 1 1/2 | 1 15/32 | 2 27/32 | 2 1/4 | 1 1/2 | 150 |
| 7/8 | 3/4 | 3 27/32 | 1 25/32 | 1 5/8 | 3 5/32 | 2 7/16 | 1 9/16 | 238 |
| 1 | 3/4 | 4 1/4 | 1 7/8 | 1 13/16 | 3 15/32 | 2 5/8 | 1 7/8 | 249 |
| 1 1/8 | 3/4 | 4 19/32 | 2 | 2 | 3 19/32 | 2 7/8 | 1 7/8 | 309 |
| 1 1/4 | 7/8 | 5 1/8 | 2 5/16 | 2 1/8 | 4 1/8 | 3 1/8 | 2 7/32 | 456 |
| 1 3/8 | 7/8 | 5 1/2 | 2 3/8 | 2 5/16 | 4 1/4 | 3 1/8 | 2 9/32 | 516 |
| 1 1/2 | 7/8 | 5 25/32 | 2 19/32 | 2 3/8 | 4 13/32 | 3 11/32 | 2 17/32 | 560 |
| 1 5/8 | 31/32 | 6 11/32 | 2 3/4 | 2 5/8 | 4 3/4 | 3 5/8 | 2 5/8 | 725 |
| 1 3/4 | 1 5/32 | 6 27/32 | 3 1/16 | 2 3/4 | 5 9/32 | 3 13/16 | 3 | 972 |
| 2 | 1 1/4 | 7 11/16 | 3 3/8 | 3 1/16 | 5 29/32 | 4 7/16 | 3 11/32 | 1329 |
| 2 1/4 | 1 1/4 | 8 3/8 | 3 27/32 | 3 3/16 | 6 3/8 | 4 9/16 | 3 15/16 | 1559 |
| 2 1/2 | 1 1/4 | 8 15/16 | 4 1/8 | 3 7/16 | 6 5/8 | 4 11/16 | 4 7/16 | 1777 |
| 2 3/4 | 1 1/4 | 9 9/16 | 4 13/32 | 3 19/32 | 6 27/32 | 5 | 4 7/16 | 2238 |
| 3 | 1 1/2 | 10 21/32 | 4 3/4 | 3 27/32 | 7 5/8 | 5 5/16 | 5 11/32 | 3245 |
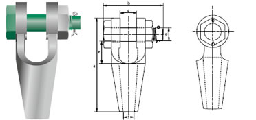
Soquetes e Destorcedores G-6411
| number | minimum | diameter | length | width | width | length | thickness | thickness | opening | weight |
| breaking | wire | inside | inside | bow | bow | each | ||||
| load | rope | bow | bow | |||||||
| a | b | c | d | e | f | g | ||||
| t | mm | mm | mm | mm | mm | mm | mm | mm | kg | |
| 296 | 8 | 6 - 7 | 101 | 37 | 22 | 40 | 11 | 13 | 9 | 0.3 |
| 297 | 12 | 8 - 10 | 119 | 43 | 25 | 48 | 14 | 17.5 | 12 | 0.5 |
| 298 | 20 | 11 - 13 | 140 | 52 | 30 | 58 | 18 | 23.5 | 15 | 0.75 |
| 299 | 25 | 14 - 16 | 162 | 68 | 37 | 66 | 21 | 26 | 17.5 | 1.5 |
| 200 | 40 | 18 - 19 | 194 | 76 | 42 | 78 | 27 | 32 | 21.5 | 2.4 |
| 201 | 55 | 20 - 22 | 224 | 92 | 47 | 90 | 33 | 38 | 24 | 3.6 |
| 204 | 75 | 23 - 26 | 253 | 104 | 57 | 103 | 36 | 44 | 28 | 5.8 |
| 207 | 90 | 27 - 30 | 282 | 114 | 63 | 116 | 39 | 51 | 32 | 7 |
| 212 | 125 | 31 - 36 | 312 | 127 | 70 | 130 | 43 | 57 | 38 | 10.5 |
| 215 | 150 | 37 - 39 | 358 | 136 | 79 | 155 | 51 | 63 | 41 | 13 |
| 217 | 170 | 40 - 42 | 390 | 146 | 83 | 171 | 54 | 70 | 44 | 17 |
| 219 | 225 | 43 - 48 | 443 | 171 | 93 | 198 | 55 | 76 | 51 | 26 |
| 222 | 280 | 49 - 54 | 502 | 193 | 100 | 224 | 62 | 82 | 57 | 37.5 |
| 224 | 360 | 55 - 60 | 548 | 216 | 112 | 247 | 73 | 92 | 63 | 50 |
| 226 | 425 | 61 - 68 | 597 | 241 | 140 | 270 | 79 | 102 | 73 | 65 |
| 227 | 460 | 69 - 75 | 644 | 273 | 159 | 286 | 79 | 124 | 79 | 94 |
| 228 | 560 | 76 - 80 | 686 | 292 | 171 | 298 | 83 | 133 | 86 | 115 |
| 229 | 625 | 81 - 86 | 743 | 311 | 184 | 311 | 102 | 146 | 92 | 145 |
| 230 | 720 | 87 - 93 | 788 | 330 | 197 | 330 | 102 | 159 | 99 | 168 |
| 231 | 875 | 94 - 102 | 845 | 362 | 216 | 356 | 108 | 178 | 108 | 210 |
| 233 | 1200 | 108 - 115 | 1000 | 405 | 235 | 425 | 125 | 190 | 125 | 330 |
| 240 | 1300 | 120 - 130 | 1150 | 450 | 260 | 525 | 125 | 200 | 143 | 500 |
| number | minimum | diameter | length | width | width | length | thickness | thickness | opening | weight |
| breaking | wire | inside | inside | bow | bow | each | ||||
| load | rope | bow | bow | |||||||
| a | b | c | d | e | f | g | ||||
| t | inch | inch | inch | inch | inch | inch | inch | inch | lbs | |
| 296 | 8 | 1/4 | 3 31/32 | 1 1/2 | 7/8 | 1 19/32 | 7/16 | 1/2 | 11/32 | 0.66 |
| 297 | 12 | 3/8 | 4 11/16 | 1 23/32 | 1 | 1 29/32 | 9/16 | 11/16 | 15/32 | 1.10 |
| 298 | 20 | 7/16 - 1/2 | 5 17/32 | 2 1/32 | 1 3/16 | 2 9/32 | 23/32 | 15/16 | 19/32 | 1.54 |
| 299 | 25 | 9/16 - 5/8 | 6 11/32 | 2 11/16 | 1 1/2 | 2 19/32 | 13/16 | 1 1/32 | 11/16 | 3.31 |
| 200 | 40 | 3/4 | 7 5/8 | 3 | 1 11/16 | 3 3/32 | 1 3/32 | 1 9/32 | 27/32 | 5.29 |
| 201 | 55 | 7/8 | 8 13/16 | 3 5/8 | 1 7/8 | 3 9/16 | 1 5/16 | 1 17/32 | 15/16 | 7.94 |
| 204 | 75 | 1 | 9 31/32 | 4 3/32 | 2 1/4 | 4 1/32 | 1 7/16 | 1 3/4 | 1 1/8 | 12.79 |
| 207 | 90 | 1 1/8 | 11 1/8 | 4 1/2 | 2 1/2 | 4 9/16 | 1 9/16 | 2 | 1 9/32 | 15.43 |
| 212 | 125 | 1 1/4 - 1 3/8 | 12 9/32 | 5 | 2 3/4 | 5 1/8 | 1 23/32 | 2 1/4 | 1 17/32 | 23.1 |
| 215 | 150 | 1 1/2 | 14 3/32 | 5 11/32 | 3 1/8 | 6 3/32 | 2 | 2 1/2 | 1 5/8 | 28.7 |
| 217 | 170 | 1 5/8 | 15 11/32 | 5 3/4 | 3 9/32 | 6 23/32 | 2 1/8 | 2 3/4 | 1 3/4 | 37.5 |
| 219 | 225 | 1 3/4 - 1 7/8 | 17 1/2 | 6 23/32 | 3 11/16 | 7 25/32 | 2 5/32 | 3 | 2 | 57.3 |
| 222 | 280 | 2 - 2 1/8 | 19 25/32 | 7 19/32 | 3 15/16 | 8 13/16 | 2 7/16 | 3 1/4 | 2 1/4 | 82.7 |
| 224 | 360 | 2 1/4 - 2 3/8 | 21 19/32 | 8 17/32 | 4 3/8 | 9 3/4 | 2 7/8 | 3 5/8 | 2 1/2 | 110.2 |
| 226 | 425 | 2 1/2 - 2 5/8 | 23 17/32 | 9 17/32 | 5 17/32 | 10 5/8 | 3 1/8 | 4 | 2 7/8 | 143.3 |
| 227 | 460 | 2 3/4 - 2 7/8 | 25 11/32 | 10 3/4 | 6 1/4 | 11 9/32 | 3 1/8 | 4 7/8 | 3 1/8 | 207.2 |
| 228 | 560 | 3 - 3 1/8 | 27 | 11 17/32 | 6 23/32 | 11 3/4 | 3 9/32 | 5 1/4 | 3 3/8 | 254 |
| 229 | 625 | 3 1/4 - 3 3/8 | 29 1/4 | 12 1/4 | 7 1/4 | 12 1/4 | 4 | 5 3/4 | 3 5/8 | 320 |
| 230 | 720 | 3 1/2 - 3 5/8 | 31 | 13 | 7 3/4 | 13 | 4 | 6 1/4 | 3 29/32 | 370 |
| 231 | 875 | 3 3/4 - 4 | 33 9/32 | 14 1/4 | 8 17/32 | 14 | 4 1/4 | 7 | 4 1/4 | 463 |
| 233 | 1200 | 4 1/4 - 4 1/2 | 39 3/8 | 15 15/16 | 9 9/32 | 16 3/4 | 4 29/32 | 71/2 | 4 29/32 | 728 |
| 240 | 1300 | 4 3/4 - 5 | 45 9/32 | 17 3/4 | 10 1/4 | 20 11/16 | 4 29/32 | 7 7/8 | 5 5/8 | 1102 |
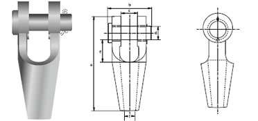
Soquetes e Destorcedores G-6412
| number | minimum | diameter | length | width | width | diameter | length | opening | weight |
| breaking | wire | inside | pin | inside | each | ||||
| load | rope | ||||||||
| a | b | c | d | e | f | ||||
| t | mm | mm | mm | mm | mm | mm | mm | kg | |
| 196 | 8 | 6 - 7 | 109 | 51 | 19 | 16 | 33 | 9 | 0.4 |
| 197 | 12 | 8 - 10 | 124 | 62 | 21 | 21 | 34 | 12 | 0.7 |
| 198 | 20 | 11 - 13 | 143 | 66 | 26 | 25 | 37 | 15 | 1 |
| 199 | 25 | 14 - 16 | 172 | 82 | 33 | 30 | 49 | 18 | 1.8 |
| 100 | 40 | 18 - 19 | 205 | 95 | 38 | 35 | 58 | 21 | 3 |
| 104 | 55 | 20 - 22 | 235 | 110 | 44 | 41 | 68 | 24 | 4.6 |
| 108 | 75 | 23 - 26 | 275 | 130 | 51 | 51 | 75 | 28 | 8 |
| 111 | 90 | 27 - 30 | 306 | 144 | 57 | 57 | 85 | 32 | 11 |
| 115 | 125 | 31 - 36 | 338 | 155 | 63 | 64 | 95 | 38 | 16 |
| 118 | 150 | 37 - 39 | 394 | 178 | 76 | 70 | 127 | 41 | 22 |
| 120 | 170 | 40 - 42 | 418 | 187 | 76 | 76 | 127 | 44 | 27 |
| 125 | 225 | 43 - 48 | 468 | 213 | 89 | 89 | 134 | 51 | 41 |
| 128 | 280 | 49 - 54 | 552 | 240 | 101 | 95 | 181 | 57 | 64 |
| 130 | 360 | 55 - 60 | 598 | 270 | 113 | 108 | 196 | 63 | 88 |
| 132 | 425 | 61 - 68 | 654 | 303 | 127 | 121 | 213 | 73 | 125 |
| 135 | 460 | 69 - 75 | 696 | 349 | 133 | 127 | 216 | 79 | 155 |
| 138 | 560 | 76 - 80 | 737 | 371 | 146 | 133 | 220 | 86 | 187 |
| 140 | 625 | 81 - 86 | 788 | 391 | 159 | 140 | 228 | 92 | 230 |
| 142 | 720 | 87 - 93 | 852 | 411 | 171 | 152 | 242 | 99 | 265 |
| 144 | 875 | 94 - 102 | 914 | 447 | 191 | 178 | 254 | 108 | 400 |
| 146 | 1200 | 108 - 115 | 1160 | 489 | 206 | 193 | 369 | 125 | 660 |
| number | minimum | diameter | length | width | width | diameter | length | opening | weight |
| breaking | wire | inside | pin | inside | each | ||||
| load | rope | ||||||||
| a | b | c | d | e | f | ||||
| t | inch | inch | inch | inch | inch | inch | inch | lbs | |
| 196 | 8 | 1/4 | 4 9/32 | 2 | 3/4 | 5/8 | 1 5/16 | 11/32 | 0.88 |
| 197 | 12 | 3/8 | 4 7/8 | 2 7/16 | 13/16 | 13/16 | 1 11/32 | 15/32 | 1.54 |
| 198 | 20 | 7/16 - 1/2 | 5 5/8 | 2 19/32 | 1 1/32 | 1 | 1 1/2 | 19/32 | 2.20 |
| 199 | 25 | 9/16 - 5/8 | 6 3/4 | 3 1/4 | 1 5/16 | 1 3/16 | 1 15/16 | 23/32 | 3.97 |
| 100 | 40 | 3/4 | 8 3/32 | 3 3/4 | 1 17/32 | 1 3/8 | 2 9/32 | 13/16 | 6.61 |
| 104 | 55 | 7/8 | 9 9/32 | 4 5/16 | 1 3/4 | 1 5/8 | 2 11/16 | 15/16 | 10.14 |
| 108 | 75 | 1 | 10 13/16 | 5 1/8 | 2 | 2 | 2 15/16 | 1 1/8 | 17.64 |
| 111 | 90 | 1 1/8 | 12 1/32 | 5 11/16 | 2 1/4 | 2 1/4 | 3 11/32 | 1 9/32 | 24.3 |
| 115 | 125 | 1 1/4 - 1 3/8 | 13 5/16 | 6 3/32 | 2 1/2 | 2 17/32 | 3 3/4 | 1 17/32 | 35.3 |
| 118 | 150 | 1 1/2 | 15 17/32 | 7 | 3 | 2 3/4 | 5 | 1 5/8 | 48.5 |
| 120 | 170 | 1 5/8 | 16 1/2 | 7 11/32 | 3 | 3 | 5 | 1 3/4 | 59.5 |
| 125 | 225 | 1 3/4 - 1 7/8 | 18 7/16 | 8 3/8 | 3 17/32 | 3 17/32 | 5 9/32 | 2 | 90.4 |
| 128 | 280 | 2 - 2 1/8 | 21 3/4 | 9 1/2 | 3 31/32 | 3 3/4 | 7 1/8 | 2 1/4 | 141.1 |
| 130 | 360 | 2 1/4 - 2 3/8 | 23 9/16 | 10 5/8 | 4 7/16 | 4 1/4 | 7 23/32 | 2 1/2 | 194 |
| 132 | 425 | 2 1/2 - 2 5/8 | 25 3/4 | 11 15/16 | 5 | 4 3/4 | 8 3/8 | 2 7/8 | 276 |
| 135 | 460 | 2 3/4 - 2 7/8 | 27 3/8 | 13 3/4 | 5 1/4 | 5 | 8 17/32 | 3 1/8 | 342 |
| 138 | 560 | 3 - 3 1/8 | 29 | 14 19/32 | 5 3/4 | 5 1/4 | 8 11/16 | 3 3/8 | 412 |
| 140 | 625 | 3 1/4 - 3 3/8 | 31 | 15 3/8 | 6 1/4 | 5 17/32 | 9 | 3 5/8 | 507 |
| 142 | 720 | 3 1/2 - 3 5/8 | 33 9/16 | 16 3/16 | 6 23/32 | 5 31/32 | 9 9/16 | 3 29/32 | 584 |
| 144 | 875 | 3 3/4 - 4 | 35 31/32 | 17 5/8 | 7 17/32 | 7 | 10 | 4 1/4 | 882 |
| 146 | 1200 | 4 1/4 - 4 1/2 | 45 11/16 | 19 9/32 | 8 1/8 | 7 19/32 | 14 17/32 | 4 29/32 | 1455 |
Soquetes e Destorcedores G-6422
| number | minimum | diameter | length | width | width | diameter | length | opening | weight |
| breaking | wire | inside | pin | inside | each | ||||
| load | rope | ||||||||
| a | b | c | d | e | f | ||||
| t | mm | mm | mm | mm | mm | mm | mm | kg | |
| 196 | 8 | 6 - 7 | 109 | 69 | 19 | 16 | 33 | 9 | 0.4 |
| 197 | 12 | 8 - 10 | 124 | 83 | 21 | 20 | 35 | 12 | 0.8 |
| 198 | 20 | 11 - 13 | 143 | 101 | 26 | 25 | 37 | 15 | 1.3 |
| 199 | 25 | 14 - 16 | 172 | 124 | 33 | 30 | 49 | 18 | 2.3 |
| 100 | 40 | 18 - 19 | 205 | 138 | 38 | 35 | 58 | 21 | 3.7 |
| 104 | 55 | 20 - 22 | 235 | 148 | 44 | 41 | 68 | 24 | 4.6 |
| 108 | 75 | 23 - 26 | 275 | 176 | 51 | 50 | 76 | 28 | 9.7 |
| 111 | 90 | 27 - 30 | 306 | 193 | 57 | 57 | 85 | 32 | 13.6 |
| 115 | 125 | 31 - 36 | 338 | 210 | 63 | 63 | 96 | 38 | 16 |
| 118 | 150 | 37 - 39 | 394 | 230 | 76 | 70 | 127 | 41 | 26.9 |
| 120 | 170 | 40 - 42 | 418 | 244 | 76 | 77 | 126 | 44 | 32 |
| number | minimum | diameter | length | width | width | diameter | length | opening | weight |
| breaking | wire | inside | pin | inside | each | ||||
| load | rope | ||||||||
| a | b | c | d | e | f | ||||
| t | inch | inch | inch | inch | inch | inch | inch | lbs | |
| 196 | 8 | 1/4 | 4 9/32 | 2 23/32 | 3/4 | 5/8 | 1 5/16 | 11/32 | 0.88 |
| 197 | 12 | 3/8 | 4 7/8 | 3 9/32 | 13/16 | 25/32 | 1 3/8 | 15/32 | 1.76 |
| 198 | 20 | 7/16 - 1/2 | 5 5/8 | 3 31/32 | 1 1/32 | 1 | 1 1/2 | 19/32 | 2.87 |
| 199 | 25 | 9/16 - 5/8 | 6 3/4 | 4 7/8 | 1 5/16 | 1 3/16 | 1 15/16 | 23/32 | 5.07 |
| 100 | 40 | 3/4 | 8 3/32 | 5 7/16 | 1 17/32 | 1 3/8 | 2 9/32 | 13/16 | 8.16 |
| 104 | 55 | 7/8 | 9 9/32 | 5 13/16 | 1 3/4 | 1 5/8 | 2 11/16 | 15/16 | 10.14 |
| 108 | 75 | 1 | 10 13/16 | 6 29/32 | 2 | 1 31/32 | 3 | 1 1/8 | 21.38 |
| 111 | 90 | 1 1/8 | 12 1/32 | 7 19/32 | 2 1/4 | 2 1/4 | 3 11/32 | 1 9/32 | 30.0 |
| 115 | 125 | 1 1/4 - 1 3/8 | 13 5/16 | 8 9/32 | 2 1/2 | 2 1/2 | 3 25/32 | 1 17/32 | 35.3 |
| 118 | 150 | 1 1/2 | 15 17/32 | 9 3/32 | 3 | 2 3/4 | 5 | 1 5/8 | 59.3 |
| 120 | 170 | 1 5/8 | 16 1/2 | 9 5/8 | 3 | 3 1/32 | 4 15/16 | 1 3/4 | 70.5 |
Soquetes e Destorcedores G-6413
| number | minimum | diameter | length | length | width | width | diameter | thickness | diameter | weight |
| breaking | wire | to center | inside | pin | side | eye | each | |||
| load | rope | pin | plates | |||||||
| a | b | c | d | e | f | g | ||||
| t | mm | mm | mm | mm | mm | mm | mm | mm | kg | |
| 0.25 | 8 | 7 - 8 | 128 | 110 | 51 | 18 | 16 | 9 | 36 | 0.8 |
| 0.5 | 12 | 9 - 10 | 165 | 142 | 62 | 20.5 | 21 | 11 | 46 | 1.5 |
| 1 | 20 | 11 - 13 | 175 | 146 | 66 | 25 | 25 | 12 | 57 | 2.4 |
| 2 | 25 | 14 - 16 | 211 | 176 | 82 | 31 | 30 | 15 | 70 | 4 |
| 3 | 40 | 18 - 19 | 252 | 212 | 95 | 38 | 35 | 16 | 80 | 7.4 |
| 4 | 55 | 20 - 22 | 288 | 240 | 110 | 44 | 41 | 19 | 95 | 11 |
| 5 | 75 | 24 - 26 | 329 | 274 | 130 | 51 | 51 | 22 | 110 | 16 |
| 6 | 90 | 27 - 29 | 375 | 310 | 144 | 57 | 57 | 25 | 130 | 22 |
| 7 | 110 | 30 - 32 | 423 | 350 | 155 | 63 | 64 | 28 | 146 | 31 |
| 8 | 125 | 34 - 36 | 474 | 400 | 163 | 69 | 64 | 28 | 148 | 39 |
| 9 | 150 | 37 - 39 | 527 | 450 | 178 | 76 | 70 | 30 | 153 | 48 |
| 10 | 170 | 40 - 42 | 580 | 500 | 187 | 76 | 76 | 33 | 160 | 64 |
| 11 | 225 | 43 - 48 | 650 | 550 | 226 | 89 | 89 | 39 | 186 | 96 |
| 12 | 280 | 49 - 52 | 745 | 640 | 240 | 101 | 95 | 46 | 194 | 130 |
| 13 | 360 | 54 - 58 | 785 | 660 | 275 | 114 | 108 | 54 | 230 | 180 |
| 14 | 425 | 60 - 68 | 970 | 835 | 300 | 127 | 121 | 60 | 250 | 275 |
| 15 | 460 | 72 - 76 | 1150 | 1000 | 355 | 146 | 133 | 76 | 270 | 440 |
| 16 | 625 | 81 - 86 | 1252 | 1100 | 375 | 159 | 140 | 79 | 300 | 510 |
| number | minimum | diameter | length | length | width | width | diameter | thickness | diameter | weight |
| breaking | wire | to center | inside | pin | side | eye | each | |||
| load | rope | pin | plates | |||||||
| a | b | c | d | e | f | g | ||||
| t | inch | inch | inch | inch | inch | inch | inch | inch | lbs | |
| 0.25 | 8 | 5/16 | 5 1/32 | 4 5/16 | 2 | 23/32 | 5/8 | 11/32 | 1 7/16 | 1.76 |
| 0.5 | 12 | 3/8 | 6 1/2 | 5 19/32 | 2 7/16 | 13/16 | 13/16 | 7/16 | 1 13/16 | 3.31 |
| 1 | 20 | 1/2 | 6 7/8 | 5 3/4 | 2 19/32 | 1 | 1 | 15/32 | 2 1/4 | 5.29 |
| 2 | 25 | 5/8 | 8 5/16 | 6 29/32 | 3 1/4 | 1 1/4 | 1 3/16 | 19/32 | 2 3/4 | 8.82 |
| 3 | 40 | 3/4 | 9 15/16 | 8 11/32 | 3 3/4 | 1 17/32 | 1 3/8 | 5/8 | 3 5/32 | 16.31 |
| 4 | 55 | 7/8 | 11 11/32 | 9 1/2 | 4 5/16 | 1 3/4 | 1 5/8 | 3/4 | 3 3/4 | 24.3 |
| 5 | 75 | 1 | 12 15/16 | 10 25/32 | 5 1/8 | 2 | 2 | 7/8 | 4 5/16 | 35.3 |
| 6 | 90 | 1 1/8 | 14 3/4 | 12 3/16 | 5 11/16 | 2 1/4 | 2 1/4 | 1 | 5 1/8 | 48.5 |
| 7 | 110 | 1 1/4 | 16 11/16 | 13 25/32 | 6 3/32 | 2 1/2 | 2 17/32 | 1 1/8 | 5 3/4 | 68.3 |
| 8 | 125 | 1 3/8 | 18 11/16 | 15 3/4 | 6 3/8 | 2 23/32 | 2 17/32 | 1 1/8 | 5 13/16 | 86.0 |
| 9 | 150 | 1 1/2 | 20 3/4 | 17 3/4 | 7 | 3 | 2 3/4 | 1 3/16 | 6 | 105.8 |
| 10 | 170 | 1 5/8 | 22 13/16 | 19 23/32 | 7 11/32 | 3 | 3 | 1 5/16 | 6 9/32 | 141.1 |
| 11 | 225 | 1 3/4 - 1 7/8 | 25 19/32 | 21 11/16 | 8 29/32 | 3 17/32 | 3 17/32 | 1 9/16 | 7 5/16 | 212 |
| 12 | 280 | 2 | 29 5/16 | 25 3/16 | 9 1/2 | 3 31/32 | 3 3/4 | 1 13/16 | 7 5/8 | 287 |
| 13 | 360 | 2 1/4 | 30 7/8 | 25 31/32 | 10 13/16 | 4 1/2 | 4 1/4 | 2 1/8 | 9 3/32 | 397 |
| 14 | 425 | 2 1/2 | 38 5/32 | 32 7/8 | 11 13/16 | 5 | 4 3/4 | 2 11/32 | 9 7/8 | 606 |
| 15 | 460 | 3 | 45 9/32 | 39 3/8 | 13 31/32 | 5 3/4 | 5 1/4 | 3 | 10 5/8 | 970 |
| 16 | 625 | 3 1/4 - 3 3/8 | 49 5/16 | 43 5/16 | 14 3/4 | 6 1/4 | 5 17/32 | 3 1/8 | 11 13/16 | 1124 |
Soquetes e Destorcedores G-6423
| number | minimum | diameter | length | length | width | width | diameter | thickness | diameter | weight |
| breaking | wire | to center | inside | pin | side | eye | each | |||
| load | rope | pin | plates | |||||||
| a | b | c | d | e | f | g | ||||
| t | mm | mm | mm | mm | mm | mm | mm | mm | kg | |
| 0.25 | 8 | 7 - 8 | 128 | 110 | 69 | 18 | 16 | 9 | 36 | 0.8 |
| 0.5 | 12 | 9 - 10 | 165 | 142 | 83 | 20.5 | 20 | 11 | 46 | 1.5 |
| 1 | 20 | 11 - 13 | 175 | 146 | 101 | 25 | 25 | 12 | 57 | 2.4 |
| 2 | 25 | 14 - 16 | 211 | 176 | 124 | 31 | 30 | 15 | 70 | 4.8 |
| 3 | 40 | 18 - 19 | 252 | 212 | 138 | 38 | 35 | 16 | 80 | 8.3 |
| 4 | 55 | 20 - 22 | 288 | 240 | 148 | 44 | 41 | 19 | 95 | 11 |
| 5 | 75 | 24 - 26 | 329 | 274 | 176 | 51 | 50 | 22 | 110 | 17.9 |
| 6 | 90 | 27 - 29 | 375 | 310 | 193 | 57 | 57 | 25 | 130 | 21 |
| 7 | 110 | 30 - 32 | 423 | 350 | 210 | 63 | 63 | 28 | 146 | 33 |
| 8 | 125 | 34 - 36 | 474 | 400 | 216 | 69 | 65 | 28 | 148 | 42 |
| 9 | 150 | 37 - 39 | 527 | 450 | 230 | 76 | 70 | 30 | 153 | 52 |
| 10 | 170 | 40 - 42 | 580 | 500 | 244 | 76 | 77 | 33 | 160 | 73 |
| number | minimum | diameter | length | length | width | width | diameter | thickness | diameter | weight |
| breaking | wire | to center | inside | pin | side | eye | each | |||
| load | rope | pin | plates | |||||||
| a | b | c | d | e | f | g | ||||
| t | inch | inch | inch | inch | inch | inch | inch | inch | lbs | |
| 0.25 | 8 | 5/16 | 5 1/32 | 4 5/16 | 2 23/32 | 23/32 | 5/8 | 11/32 | 1 7/16 | 1.76 |
| 0.5 | 12 | 3/8 | 6 1/2 | 5 19/32 | 3 9/32 | 13/16 | 25/32 | 7/16 | 1 13/16 | 3.31 |
| 1 | 20 | 1/2 | 6 7/8 | 5 3/4 | 3 31/32 | 1 | 1 | 15/32 | 2 1/4 | 5.29 |
| 2 | 25 | 5/8 | 8 5/16 | 6 29/32 | 4 7/8 | 1 1/4 | 1 3/16 | 19/32 | 2 3/4 | 10.58 |
| 3 | 40 | 3/4 | 9 15/16 | 8 11/32 | 5 7/16 | 1 17/32 | 1 3/8 | 5/8 | 3 5/32 | 18.3 |
| 4 | 55 | 7/8 | 11 11/32 | 9 1/2 | 5 13/16 | 1 3/4 | 1 5/8 | 3/4 | 3 3/4 | 24.3 |
| 5 | 75 | 1 | 12 15/16 | 10 25/32 | 6 29/32 | 2 | 1 31/32 | 7/8 | 4 5/16 | 39.5 |
| 6 | 90 | 1 1/8 | 14 3/4 | 12 3/16 | 7 19/32 | 2 1/4 | 2 1/4 | 1 | 5 1/8 | 46.3 |
| 7 | 110 | 1 1/4 | 16 11/16 | 13 25/32 | 8 9/32 | 2 1/2 | 2 1/2 | 1 1/8 | 5 3/4 | 72.8 |
| 8 | 125 | 1 3/8 | 18 11/16 | 15 3/4 | 8 17/32 | 2 23/32 | 2 9/16 | 1 1/8 | 5 13/16 | 92.6 |
| 9 | 150 | 1 1/2 | 20 3/4 | 17 3/4 | 9 3/32 | 3 | 2 3/4 | 1 3/16 | 6 | 114.6 |
| 10 | 170 | 1 5/8 | 22 13/16 | 19 23/32 | 9 5/8 | 3 | 3 1/32 | 1 5/16 | 6 9/32 | 160.9 |
Soquetes e Destorcedores P-7740
| working | length | length | thickness | diameter | diameter | weight |
| load | hole | each | ||||
| limit | ||||||
| a | b | c | d | e | ||
| t | mm | mm | mm | mm | mm | kg |
| 1 | 174 | 128 | 12.5 | 49 | 21 | 1.4 |
| 2 | 223 | 173 | 19 | 68 | 22 | 3.5 |
| 3 | 278 | 210 | 26 | 79 | 29 | 6.4 |
| 5 | 290 | 222 | 26 | 89 | 31 | 7.9 |
| 8 | 366 | 276 | 40 | 106 | 43 | 15.2 |
| 10 | 390 | 300 | 40 | 118 | 49 | 19.1 |
| 15 | 457 | 355 | 40 | 128 | 49 | 26.6 |
| 20 | 474 | 372 | 40 | 118 | 51 | 25 |
| 30 | 612 | 472 | 64 | 138 | 59 | 50 |
| 40 | 760 | 600 | 68 | 168 | 65 | - |